磁性接近開關分為兩線制和三線制兩種,兩線制接近開關有較為簡單的接線方法,即直接與負載串聯后接通到電源上,但是其中三線制接近開關又有兩種不同的接線方法,即NPN型和PNP型。
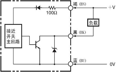
三線制接近開關的兩種不同的接線方法
兩種不同接線方法的相同之處在于,都是在電源正端接棕線,負載應該接黑線,而在電源OV端應該接藍線。兩種方法的不同在于,在負載另一端接到電源正端的是NPN型,接到電源OV端的是PNP型。

PLC的數字量輸入有兩種模塊,一種是電源OV端接公共輸入,因為輸入模塊流出的電流,所以一定要選擇NPN型接近開關,這也叫日本模式,而一定要選擇PNP型接近開關的歐洲模式在電源正端接入公共輸入端,輸入模塊流入電流。
三線制接近開關在現實工作中較為可靠,因為三線制接近開關不容易受到剩余電流的影響,而兩線制接近開關在導通時會出現壓降,而又會有剩余電流的影響,應該考慮具體工作情況進行選擇。

注意:每個磁性接近開關產品的接線方法都略有不同,磁性接近開關的接線圖以產品說明書上為準。
博揚智能提示:以上就是關于接近開關接線的簡單內容介紹,更多接近開關接線詳情,可以在線咨詢博揚智能客服,或者撥打網頁最下方的聯系電話,我們將竭誠為您服務。博揚智能15年專注代理德國倍加福傳感器和日本藤倉氣缸等國際自動化品牌產品,在新能源和醫療設備等機械制造行業積累了豐富的應用經驗。

