

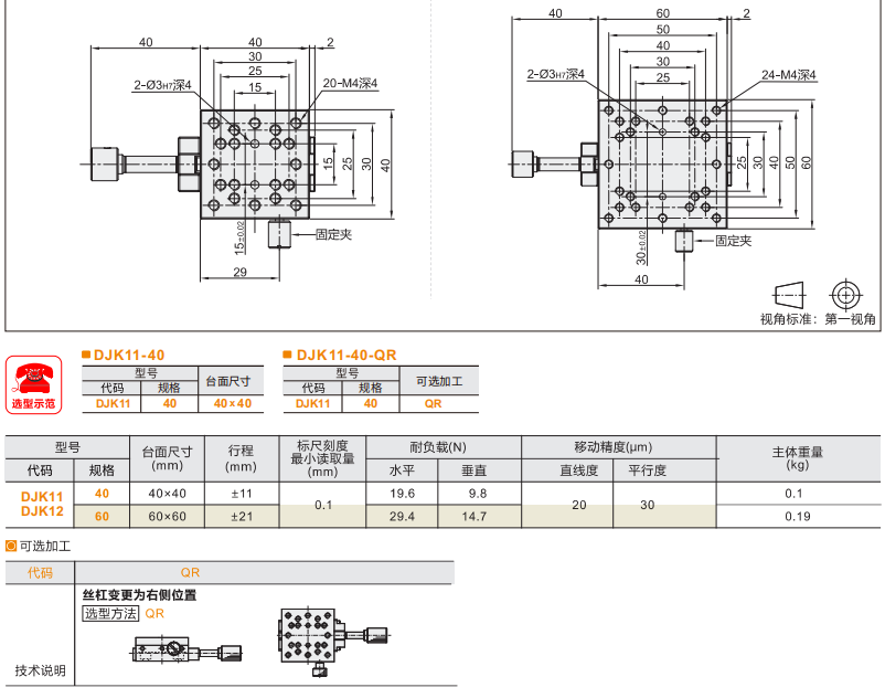
DJK11/DJK12手動位移滑臺采用精密進給絲杠驅動,搭配高剛性線性導軌,確保平穩運行與微米級定位精度。DJK11為標準行程款,DJK12為加長行程款,適用于光學調整、精密檢測等場景。陽極氧化鋁合金主體輕量化設計,手動微調機構操作靈敏,兼具高負載能力與抗振性,滿足實驗室及工業級精密定位需求。



咨詢熱線0755-26993877


DJK11/DJK12手動位移滑臺采用精密進給絲杠驅動,搭配高剛性線性導軌,確保平穩運行與微米級定位精度。DJK11為標準行程款,DJK12為加長行程款,適用于光學調整、精密檢測等場景。陽極氧化鋁合金主體輕量化設計,手動微調機構操作靈敏,兼具高負載能力與抗振性,滿足實驗室及工業級精密定位需求。

